前言
出口危险货物运输包装,是防止危险货物在正常运输过程中发生燃烧、爆炸、腐蚀毒害等事故的重要条件之一,也是安全运输的基础。而《出境货物包装性能检验结果单》则是危包界的合格证和护身符,必须使用经性能检验合格的危险货物包装才能把事故安全隐患的“灰犀牛”真正关进笼子。

一为什么要实施危包性能检验?
危险货物包装性能检验的目的是为了检查危险货物包装的性能能否满足危险货物安全运输的需要。
二什么是《出入境货物包装性能检验结果单》?
《出入境货物包装性能检验结果单》是海关向申请企业出具的证明其出境危险货物包装容器经性能检验合格、危险货物包装的性能能够满足危险货物运输的需要的证单。

三实施危险货物包装性能检验的法律依据是什么?
《中华人民共和国进出口商品检验法》第十七条
为出口危险货物生产包装容器的企业,必须申请商检机构进行包装容器的性能鉴定。
《中华人民共和国进出口商品检验法实施条例》第二十九条
出口危险货物包装容器的生产企业,应当向出入境检验检疫机构申请包装容器的性能鉴定。包装容器经出入境检验检疫机构鉴定合格并取得性能鉴定证书的,方可用于包装危险货物。
四性能检验企业应当做什么?
根据《海运出口危险货物包装检验管理办法(试行)》(国检四联字〔1985〕217号)等相关规定。
◆生产、经营出口危险货物的部门对危险货物的包装负有直接责任,必须根据有关法令、规定,正确地选择和使用危险货物的包装容器,妥善安排仓储运输,落实各项安全措施。
◆生产厂必须按照《国际危规》的要求,组织危险货物包装的生产,建立检验制度,配备检验人员和检验设备,加强质量管理和产品检验工作。
◆包装容器的材质、型式及包装方法应与拟装危险货物的性质相适应。
◆生产厂在包装容器生产检验合格的基础上,向海关申请性能鉴定。
◆出口危险货物包装应带有联合国规定的危险货物包装标记,该标记应包括生产企业代码。
生产企业代码由大写英文字母C(代表“Customs”)和六位阿拉伯数字组成,前两位阿拉伯数字代表企业所在区域的直属海关, 后四位阿拉伯数字0001—9999代表生产企业。如:C800003中,“80”代表重庆海关,“0003”代表重庆海关编列的顺序号为0003的关区内企业。
五性能检验海关应当做什么?
◆海关办理包装鉴定,根据不同条件和需要,采取逐批检验、定期检验和不定期抽验等不同方式。
◆性能检验周期为1个月、3个月、6个月三个档次。每种新设计型号检验周期为3个月,连续三个检验周期合格,检验周期可升一档,若发生一次不合格,检验周期降一档。
◆在性能检验周期内可进行抽查检验,抽查的次数按检验周期1个月、2个月、3个月三个档次分别为一次、两次、三次。
◆海关凭申请办理出口危险货物的包装鉴定,签发鉴定证书。
六什么情况下应当实施性能检验?
(1)新产品投产或老产品转产时进行性能检验;
(2)正式生产后,如结构、材料、工艺有较大改变,即设计型号改变,可能影响产品性能时;
(3)规定的检验周期到期时;
(4)产品长期停产后,恢复生产时;
(5)主管部门提出进行性能检验;
(6)对再次使用的危险货物包装应进行性能检验。
七危险货物包装性能检验项目和标准

检验依据标准,如:
SN/T 0370.2 出口危险货物包装检验规程 第2部分 性能检验
GB 19521.13 危险货物小型气体容器检验安全规范
GB 19434.4 危险货物柔性中型散装容器检验安全规范 性能检验
GB 19434.6 危险货物复合中型散装容器检验安全规范 性能检验
GB 19432 危险货物大包装检验安全规范
GB 19453危险货物电石包装检验安全规范
GB 19454 危险货物便携式罐体检验安全规范
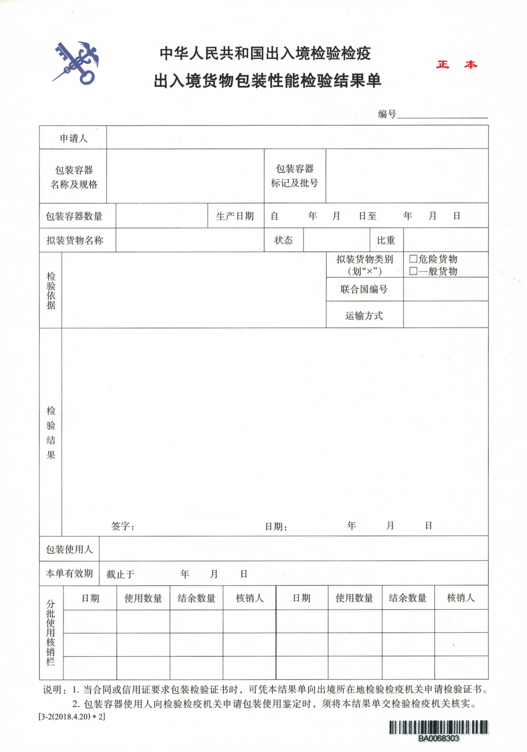
八《出入境货物包装性能检验结果单》详细解读

①:申请人一栏为危险货物包装容器生产企业名称;
②:包装容器名称及规格一栏需详细注明危险货物包装容器的种类及规格型号;根据《关于危险货物运输的建议书 规章范本》包装容器的种类包括桶 、罐、箱、袋、复合容器等,材质包括钢、铝、天然木、胶合板、纤维板、塑料、纺织品、多层纸、金属、玻璃等,类别包括开口或闭口;规格型号是指包装的尺寸大小;

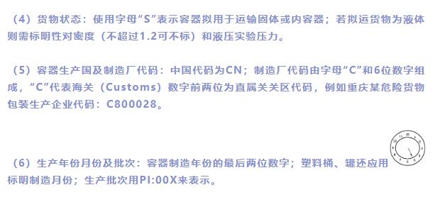
③: 包装容器标记及批号一栏需填写符合联合国《规章范本》要求的危险货物包装容器标记。根据《关于危险货物运输的建议书 规章范本》第6.1章的规定,每一危险货物包装都必须带有耐久、易辨认、与容器相比位置合适、大小相当的明显标记。标记内容包括联合国容器符号、容器种类编码、包装类别、货物状态、容器生产国及制造厂代码、生产年份月份及批次等关键信息;



④: 包装容器数量一栏需真实填写申报数量,如100桶、5000袋;生产日期一栏需注明该批包装容器生产的起止日期;
⑤: 拟装货物名称需一栏需填写拟装货物的名称、状态及比重,如拟装货物名称高锰酸钾;状态:固体;比重:1.86;
⑥: 检验依据一栏需注明该批包装容器性能检验的依据,检验依据包括国际规范、国标、行标等;主要有:国际海运危险货物规则、《SN/T 0370.2-2009 出口危险货物包装检验规程》、《SN/T 0987.1-2013 出口危险货中型散装容器检验规程》、《GB 19432-2009 危险货物大包装检验安全规范》等;
⑦: 拟装货物类别一栏需注明拟装货物是否为危险货物;联合国编号一栏需注明拟装危险货物的联合国编号,一般为UN开头的4位数代码;运输方式一栏需注明拟装货物的运输方式为海运、空运、铁路或公路;
⑧: 检验结果一栏需注明该批包装容器符合几类包装标准,包装分为Ⅰ、Ⅱ、Ⅲ三类,并由具备资质的关员签字;

⑨: 包装使用人一栏需注明本《出入境货物包装性能检验结果单》对应包装容器的使用人;
⑩: 本单有效期一栏需注明《出入境货物包装性能检验结果单》有效期截至日期;
有效期自容器生产之日起计算不超过12个月。超过有效期的包装容器需再次进行性能检验,《出入境货物包装性能检验结果单》有效期自检验完毕日期起计算不超过6个月。
对于再次使用的、修复过的或改制的容器,《出入境货物包装性能检验结果单》自检验完毕日期起计算不超过6个月。
⑪:分批出境核销栏需海关在企业申报使用后对已使用的数量、剩余数量及日期进行核销登记,核销完毕证书作废。
危险品:
汉连物流拥有稳定而优质的全球海外代理资源,与多家国际航空公司、船公司有着良好的运价及舱位资源,可承接危险品承运及报关业务,有多种危化品的承运操作经验,能为进出口企业提供安全、可控的一站式国际物流服务。
业务咨询热线:0592-5608333-118(Amoly 陈经理)/19859176643(微信同号)
汉连物流官方网站,给您更多的物流咨询平台及行业知识、行业动向、政策解读。


